一、產品概述
衛生型平膜壓力變送器,適用于有特殊要求的食品、飲料、制藥和生物工程行業。本產品通過不銹鋼殼體和防腐無菌不銹鋼過程連接接來實現衛生級測量要求的。傳感器最高耐溫150℃,清洗和高溫滅菌時無需拆卸,使用方便,操作簡單。該產品配套一體化集成電路,輸出標準4-20mA電流信號或1-5VDC電壓信號。
二、技術參數
接液材質 | 標準316L不銹鋼陶盜典型鉅哈氏合金或者踱金膜片 | 電 源 | 12-36VDC功耗≈30mA) |
負載誤差 | < 0.5% | 控制輸出 | 開關量2路 模擬量1路 |
溫 漂 | <士0.05%FS/° C(溫度范圍-20-85℃ | 顯示范圍 | -1999-9999 |
零 點 | <士0.02%/°C典型值<±0.04%/°C最大值 | 儲存溫度 | -40-+125°C |
滿 點 | <士0.02%/°C典型值<±0.04%/°C最大值 | 介質溫度 | -30/-45-+85/+150/+300°C |
精 度 | <土0.5%滿量程 | 電磁兼容 | 干擾影響Class B抗干擾性·符合工業場合要求 |
零 漂 | 0.3%滿量程 | 機械沖擊 | 100g/1ms |
熱 回 差 | <土0.5%滿量程 | 機械震動 | max.20g:15-2000Hz |
填 充 液 | 硅油2合成油或衛生油 | 防護等級 | 接線盒式IP65帶電纜式IP67 |
響應時間 | 電流輸出max2ms電壓輸出max10ms | 安裝位置 | 任意(校驗位置變送器豎直,過程連接朝下) |
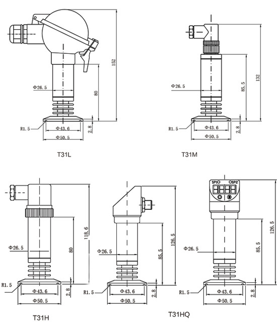
三,儀表尺寸








